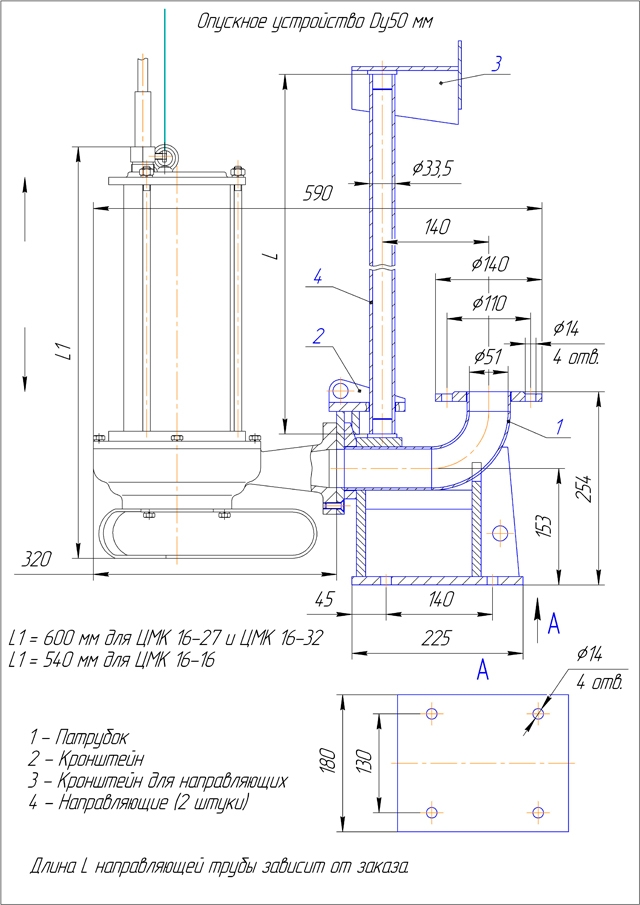
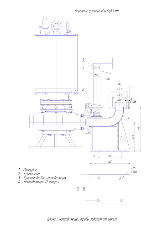
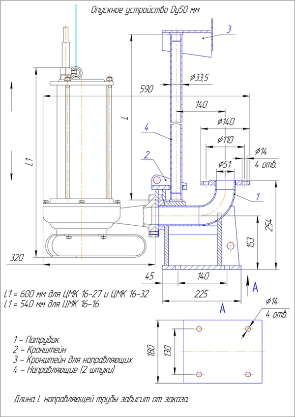
Опускное устройство для насосов
Погружные электронасосы производства ООО НПО «УралГидроПром» по желанию заказчика могут комплектоваться опускными устройствами Dу50 мм, Dу65 мм, Dу100 мм, Dу200 мм. Опускное устройство, позволяет механизировать подсоединение и отсоединение насоса от трубопровода. Применяется в случае стационарного режима работы насосов. В состав опускного устройства не входят направляющие (длина направляющих может корректироваться); направляющая труба поставляется при дополнительной заявке.

У вас остались вопросы?

Заполните форму и наш менеджер Вас проконсультирует

Нажимая на кнопку, вы принимаете Положение и Согласие на обработку персональных данных.