
|
Наименование показателей |
Норма для типа* | |
|
ПР63/22,5 |
ПК63/22,5 | |
|
Подача, м3/ч |
63 |
63 |
|
Напор, м |
22,5 |
22,5 |
|
Допустимый кавитационный запас, м, не более |
4,0 |
4,0 |
|
Плотность перекачиваемой жидкости, кг/м3, не более |
1300 |
1300 |
|
Частота вращения, об/мин |
1450 |
1450 |
|
КПД, %, не менее |
44 |
44 |
|
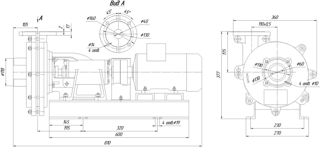
Диаметр рабочего колеса, мм |
280* |
295* |
|
Ширина рабочего колеса, мм |
49 |
39 |
|
Диаметр входного патрубка, мм |
90 |
90 |
|
Диаметр напорного патрубка, мм |
65 |
65 |
|
Мощность приводного электродвигателя |
11** |
15** |
|
Масса насоса, кг |
170 |
186 |
|
№ |
Наименование детали для ПР |
Наименование детали для ПК |
|
1 |
Вкладыш корпуса передняя половина |
Улита передняя половина (корунд) |
|
2 |
Вкладыш корпуса задняя половина |
Улита задняя половина (корунд) |
|
3 |
Колесо рабочее |
Колесо рабочее |
У вас остались вопросы?
Заполните форму и наш менеджер Вас проконсультирует
