
|
Наименование показателей |
Норма для типа | |||||||||
|
ПБ40/16 |
Пб63/22,5 |
ПБ100/16 |
ПБ100/31,5 |
ПБ160/20 |
ПБ160/40 |
ПБ250/28 |
ПБ250/56 |
ПБ315/40 |
ПБ315/56 | |
|
Подача, м3/ч |
40 |
63 |
100 |
100 |
160 |
160 |
250 |
250 |
315 |
315 |
|
Напор, м |
16 |
22,5 |
16 |
31,5 |
20 |
40 |
28 |
56 |
40 |
56 |
|
Допустимыкавитационный запас, м, не более |
3,5 |
4 |
3,8 |
4,3 |
5 |
5 |
7 |
7 |
8 |
8 |
|
Рабочая область подач, м3/ч |
20-46 |
34-70 |
62-120 |
55-115 |
85-180 |
85-180 |
140-29 |
135-285 |
220-420 |
200-440 |
|
Частота вращения, об/мин |
1450 |
1450 |
1450 |
1450 |
1450 |
1450 |
1450 |
1450 |
1450 |
1450 |
|
КПД, %, не менее |
50 |
52 |
58 |
54 |
60 |
56 |
63 |
58 |
65 |
59 |
|
Масса насоса, кг |
215 |
233 |
230 |
542 |
542 |
560 |
564 |
868 |
893 |
806 |
|
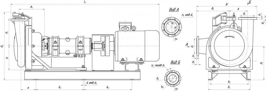
№ |
Наименование детали |
|
1 |
Отвод |
|
2 |
Диск |
|
3 |
Колесо рабочее |
У вас остались вопросы?
Заполните форму и наш менеджер Вас проконсультирует
