
| Подача | 250 м³/ч |
| Напор | 28 м |
| Рабочая зона по подаче | 140-290 м³/ч |
| Кавитационный запас | 7 |
| КПД | 63% |
| Мощность приводного эл. дв. | 55 кВт |
| Частота вращения | 1500 |
| Максимальный уровень погружения (м) | -- |
| Средний размер твёрдых частиц | -- |
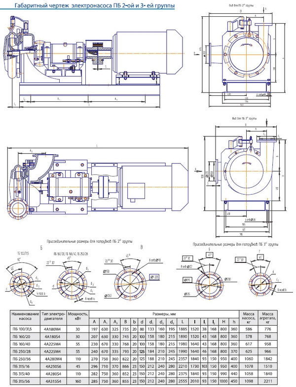
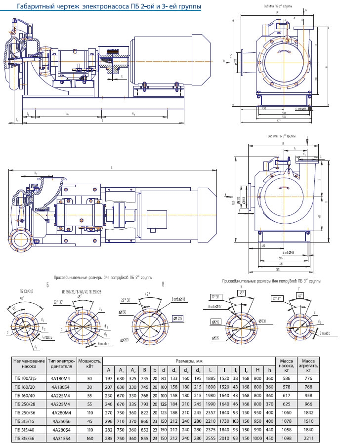
| Масса насоса | 625 |
У вас остались вопросы?
Заполните форму и наш менеджер Вас проконсультирует
