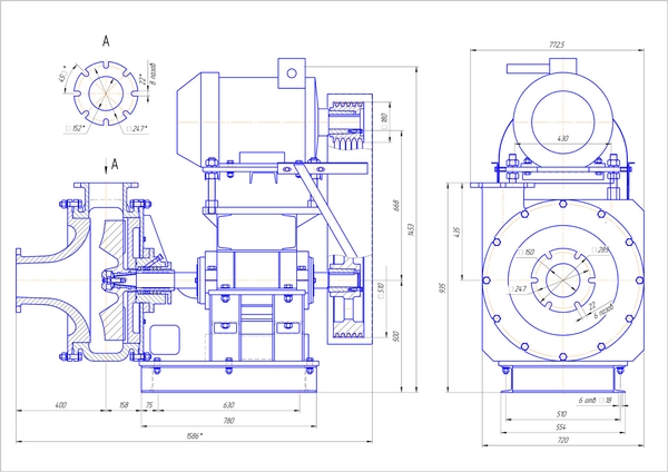
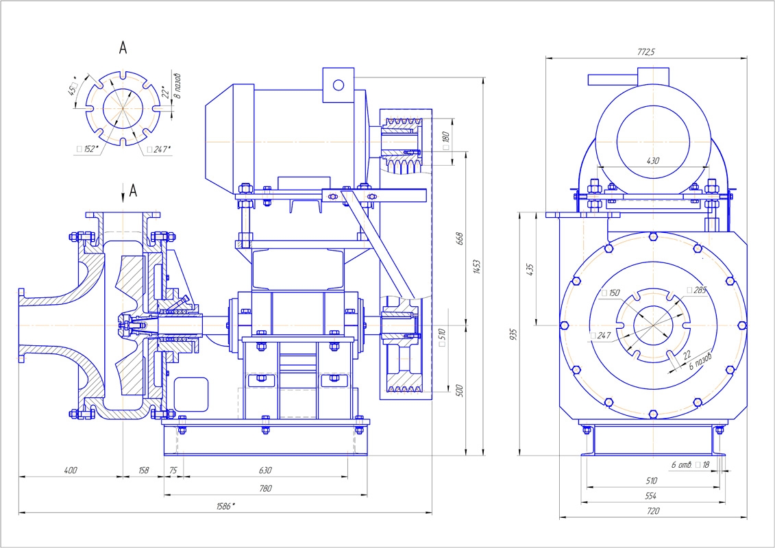
Песковый насос П 170/8
Центробежный насос П 170/8 в составе электронасосного агрегата, предназначен для перекачивания тяжёлых абразивных гидросмесей с плотностью до 3000 кг/м3 , водородным показателем рН от 6 до 12, температурой от 278 до 343 К (от 5 до 70° С), с твёрдыми включениями объёмной концентрации до 50 %, микротвёрдостью до 11000 МПа и крупностью твёрдых включений до 10-12 мм.
Допускается перекачивание гидросмесей с максимальной крупностью твёрдых включений до 20-30 мм и микротвёрдостью до 7000 МПа.
Серийно выпускаемый насос предназначен для эксплуатации в отапливаемых помещениях, или в не отапливаемых помещениях и под навесом при температуре окружающего воздуха от (- 30° до + 40° С).
Насос применяется в горнорудной, металлургической, строительной и других отраслях промышленности.
Насос не предназначен для работы во взрыво, пожаро-опасных условиях.

Условное обозначение насосного агрегата П 170/8-8-К-СП-45:
П - песковый;
170 - номинальная подача, м3/час;
8 - напор, соответствующий номинальной подаче, м;
8 - частота вращения вала насоса, об/с;
К - клиноременная передача вращения;
СП - сальниковое промывочное уплотнение;
45 - мощность приводного эл. двигателя, кВт;
Технические характеристики
Подача 170 м³/ч
Напор8 м
Рабочая зона по подаче 50-200 м³/ч
Кавитационный запас3,0
КПД 50%
Мощность приводного эл. дв. 45 кВт
Частота вращения1460
Максимальный уровень погружения (м) --
Средний размер твёрдых частиц10-12 мм
Масса насоса1050/1330

У вас остались вопросы?

Заполните форму и наш менеджер Вас проконсультирует

Нажимая на кнопку, вы принимаете Положение и Согласие на обработку персональных данных.