
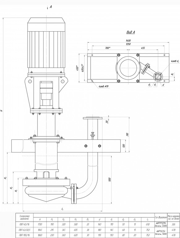
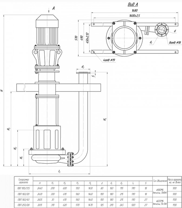
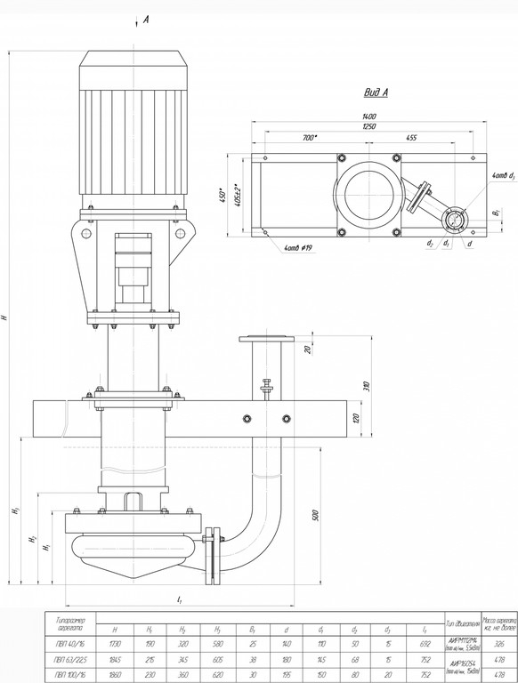
|
Наименование показетелей |
Норма для типа | ||||||
|
ПВП40/16 |
ПВП63/22,5 |
ПВП100/16 |
ПВП100/31,5 |
ПВП160/20 |
ПВП160/40 |
ПВП250/28 | |
|
Подача, м3/ч |
40 |
63 |
100 |
100 |
160 |
160 |
250 |
|
Напор, м |
16 |
22,5 |
16 |
31,5 |
20 |
40 |
28 |
|
Размер проходного сечения проточного тракта, мм, не менее |
22 |
26 |
35 |
30 |
40 |
35 |
45 |
|
Глубина погружения, мм не более |
500 |
500 |
500 |
1050 |
1050 |
1070 |
1070 |
|
Частота вращения, об/мин |
1450 |
1450 |
1450 |
1450 |
1450 |
1450 |
1450 |
|
КПД, %, не менее |
50 |
52 |
58 |
54 |
60 |
56 |
63 |
|
Масса насоса, кг |
275 |
358 |
358 |
710 |
710 |
790 |
790 |
|
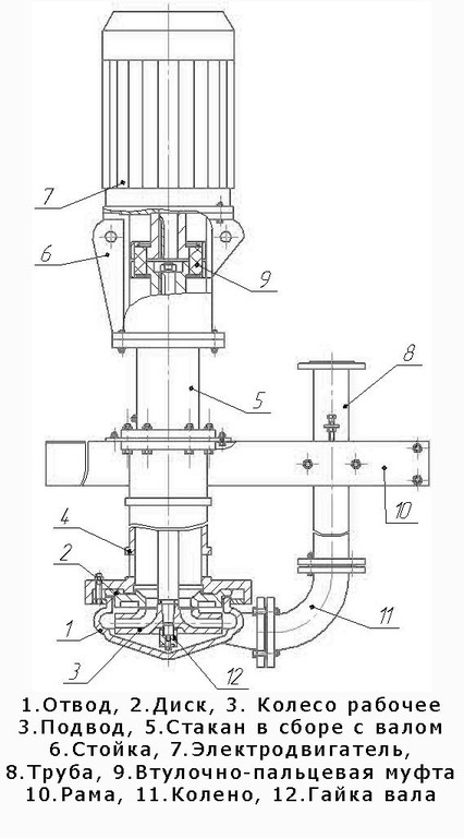
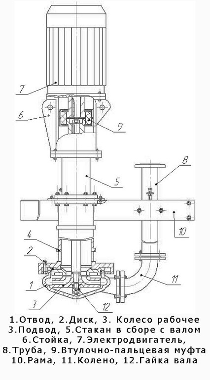
№ |
Наименование детали |
|
1 |
Отвод |
|
2 |
Диск |
|
3 |
Колесо рабочее |
У вас остались вопросы?
Заполните форму и наш менеджер Вас проконсультирует
