Грунтовые насосы типа ГРА, ГРАТ (К,У)
Грунтовые насосы типа ГРА, ГРАТ(К,У) и насосные агрегаты на их базе
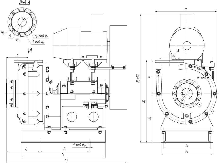
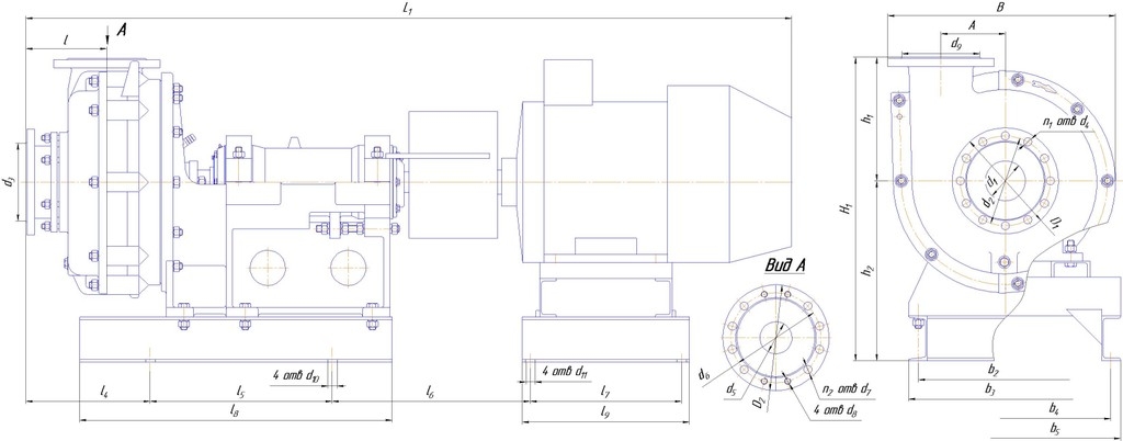
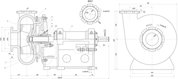
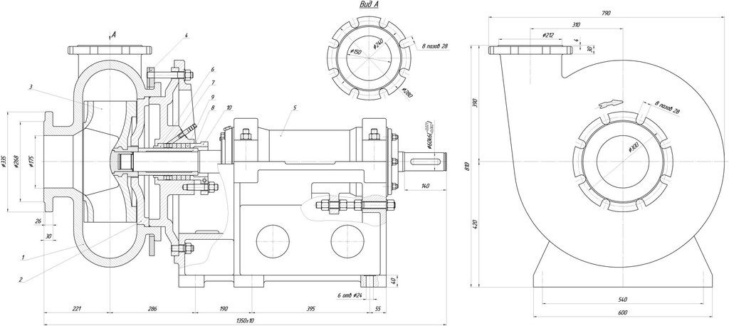
Назначение: насосы типа ГрАТ, ГрАК и агрегаты на их базе предназначены для перекачивания высокоабразивных гидросмесей (песчаных, гравийных, продуктов флотации руд и др.) с рекомендуемой плотностью до 2200 кг/м 3, водородным показателем среды рН от 6 до 12, максимальным размером твердых частиц 12мм, объемной концентрацией твердых включений до 40% (твердость включений до 11000 МПа), температурой от +5 до +60˚С. Агрегаты предназначены для эксплуатации в отапливаемых помещениях, или в не отапливаемых помещениях и под навесом при температуре окружающего воздуха от - 20° до + 40° С. Насосы типа ГрАТ, ГрАК - центробежные горизонтальные одноступенчатые консольные с осевым подводом гидросмеси к рабочему колесу, напорный патрубок регулируется с шагом 30° в плоскости перпендикулярной оси вала.

Характер уплотнения вала грунтовых насосов типа ГРА (Т,К,У): мягкий сальник с подачй промывочной воды.

Материал деталей проточной части: рабочее колеса, корпус внутренний, диск - износостойкий чугун ИЧХ28Н2. Насосы центробежные грунтовые типа ГРА(Т,К,У) соответсвуют требованиям, предусмотренным ТУ3631-005-53836603-2007.
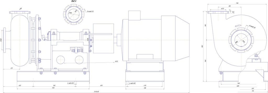
Условное обозначение насосных агрегатов на базе грунтовых насосов типа ГрАТ, ГрАК

В обозначение типоразмера электронасосного агрегата ГрАТ 170/40/ I-20-1,6-К входят буквы и цифры, которые означают:

  • ГрА – грунтовый с осевым входом;
  • Т – вариант проточной части с внутренним корпусом, (К-корунд);
  • 170 – подача в м 3/час при номинальной частоте вращения;
  • 40 – напор в м при номинальной частоте вращения;
  • I – номер опорной стойки;
  • 20 – условное обозначение пониженной частоты вращения (номинальная частота вращения не указывается);
  • 1,6 - максимальная плотность перекачиваемой гидросмеси, уменьшенной в 1000 раз, кг/м 3;
  • К – клиноременная передача.
Перечень быстроизнашивающихся запасных частей к насосам типа ГРА (Т,К,У)
Насос ГРАК

Наименование детали

1

Футеровка корпуса передняя

2

Футеровка корпуса задняя

3

Колесо рабочее

Насос ГРАТ

Наименование детали

1

Корпус внутренний

2

Бронедиск

3

Колесо рабочее

Насос ГРАУ

Наименование детали

1

Корпус насоса

2

Диск

3

Колесо рабочее

У вас остались вопросы?

Заполните форму и наш менеджер Вас проконсультирует

Нажимая на кнопку, вы принимаете Положение и Согласие на обработку персональных данных.