
|
Наименование показателей |
5ГР-8 |
5ГРТ-8 |
5ГРК-8 |
ГР200/60
|
8ГРТ-8 |
8ГРК-8 |
1ГРТ(К) 1250/71М
|
1ГРТ1600/50
|
1ГРК1600/50
| ||
|
Диаметр рабочего колеса, мм |
325 |
325 |
325 |
407 |
500 |
500 |
710 |
790 |
690 |
790 |
690 |
|
Подача, м3/ч |
160 |
160 |
160 |
200 |
400 |
400 |
1250 |
1600 |
1400 |
1600 |
1400 |
|
Напор, м |
32 |
32 |
32 |
60 |
40 |
40 |
71 |
50 |
38 |
50 |
38 |
|
Допустимый кавитационный запас, м |
4,5 |
4,5 |
4,5 |
5,0 |
4,8 |
4,8 |
5,0 |
4,8 |
4,2 |
4,8 |
4,2 |
|
Частота вращения об/мин |
1450 |
1450 |
1450 |
1450 |
965 |
965 |
965 |
750 |
750 |
750 |
750 |
|
КПД, % не менее |
58 |
58 |
58 |
60 |
56 |
56 |
54 |
56 |
54 |
56 |
54 |
|
Плотность перекачиваемой гидросмеси, кг/м3 |
1600 |
1600 |
1600 |
1600 |
1600 |
1600 |
1300 |
1300 |
1300 |
1300 |
1300 |
|
Масса насоса, кг |
356 |
435 |
417 |
690 |
1237 |
1147 |
4800 |
4315 |
4300 |
4745 |
4700 |
|
Двигатель |
4А200
|
4А200
|
4А200
|
4А280М4 |
4АМ31
|
4АМ31
|
ДА3О4-
|
ДА3О5-
|
ДА3О4-
|
ДА3О4-
|
ДАЗО4-
|
|
част.вращения об/мин |
1500 |
1500 |
1500 |
1500 |
1000 |
1000 |
1000 |
750 |
750 |
750 |
750 |
|
мощность, кВт |
37 |
37 |
37 |
132 |
132 |
132 |
630 |
500 |
400 |
500 |
400 |
|
Масса агрегата, кг |
764 |
843 |
835 |
1620 |
2455 |
2365 |
8910 |
8835 |
8820 |
9265 |
9220 |
|
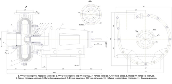
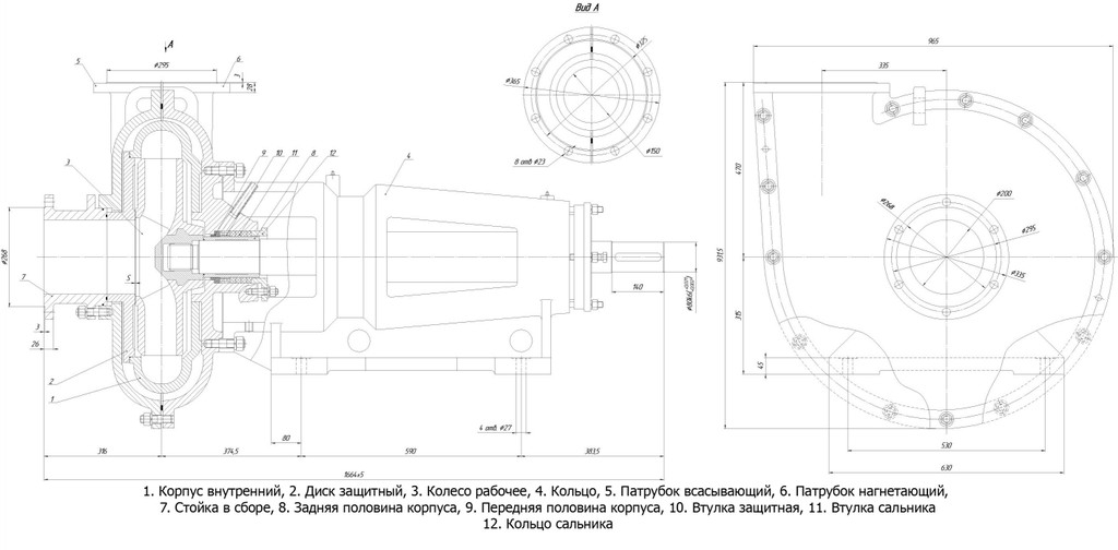
№ |
Наименование детали |
|
1 |
Корпус насоса |
|
2 |
Диск защитный |
|
3 |
Колесо рабочее |
|
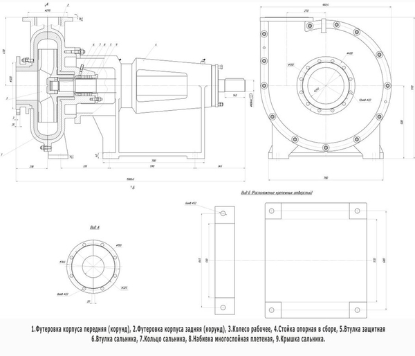
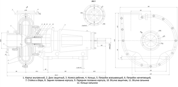
№ |
Наименование детали |
|
1 |
Корпус внутренний |
|
2 |
Диск защитный |
|
3 |
Колесо рабочее |
|
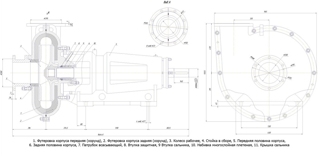
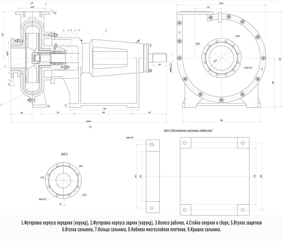
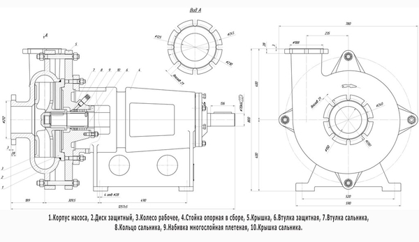
№ |
Наименование детали |
|
1 |
Футеровка корпуса передняя |
|
2 |
Футеровка корпуса задняя |
|
3 |
Колесо рабочее |
У вас остались вопросы?
Заполните форму и наш менеджер Вас проконсультирует
