
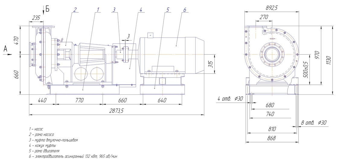
| Частота вращения | 965 об/мин |
| Подача | 400 м³/ч |
| Напор | 40 |
| Допускаемый кавитационный запас, м, не более | 5 |
| Допускаемое давление на входе в насос, МПа (кгс/см ) | 2 |
| Мощность электродвигателя, кВт | 132 |
| Коэффициент полезного действия, агрегата | 67 |
| Внешняя утечка через уплотнение, м /с (л/ч), не боле | 1,1×10-³ (4) |
| Корректированный уровень звуковой мощности, дБА | 105 |
| Среднегеометрическое значение виброскорости, мм/с | 8.9 |
У вас остались вопросы?
Заполните форму и наш менеджер Вас проконсультирует
