
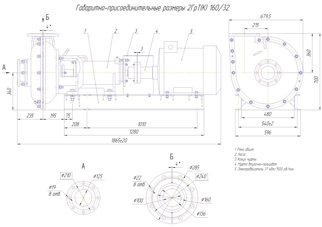
| Частота вращения | 1450 |
| Тип передачи | Упругая муфта |
| Подача | 160 м³/ч |
| Напор Н,м | 32 |
| КПД | 60 |
| Максимальная крупность твердых частиц в перекачиваемой гидросмеси, мм не более | 6 |
| Плотность перекачиваемой гидросмеси | 1600 кг/м³ |
| Мощность электродвигателя N, кВт | 37 |
У вас остались вопросы?
Заполните форму и наш менеджер Вас проконсультирует
