
| Потребляемая мощность | 38 кВт |
| Частота вращения | 3000 |
| Потребляемый ток | 66 А |
| КПД | -- |
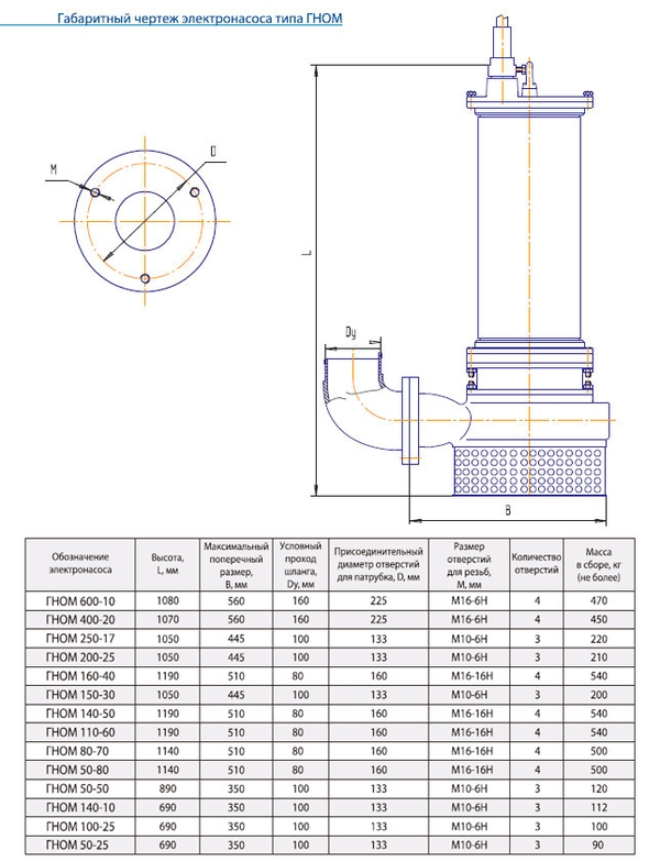
| Масса не более | 500 |
| Подача | 80 м³/ч |
| Напор | 70 м |
| Подпор | -- |
| Высота | 1140 мм |
| Максимальный поперечный размер | 510 мм |
| Глубина погружения М(не менее) | 0,9 |
| Напряжение, В | 380 |
| Условный проход шланга | 80 мм |
| Присоединительный диаметр для патрубка отверстия | 160 мм |
| Размер отверстий для резьб | M16-16Н |
| Количество отверстий | 4 |
У вас остались вопросы?
Заполните форму и наш менеджер Вас проконсультирует
