ГНОМ 10-10T Ех
Электронасос типа ГНОМ 10-10Т Ех с "0" (нулевым) особовзрывобезопасным уровнем взрывозащиты.
Взрывозащищённые передвижные центробежные электронасосы ГНОМ 10-10Т Ех (далее - электронасосы) предназначены для откачивания загрязненных грунтовых и производственных сточных вод температурой до 60 °С с рН=5-10, плотностью до 1100 кг/м , содержащих механические примеси до 10 % по массе и максимальным размером до 5 мм, а также с примесями сырой нефти до 10 % по массе, в составе которой может быть до 3 % серы в несвободном состоянии и парафина до 7%.
Допускается применение электронасосов, для откачивания в аварийных режимах среды, содержащей до 100% сырой нефти. Продолжительность пребывания, включая работу, в таких средах не более 500 часов в течение срока службы до капитального ремонта.
Электронасосы соответствуют взрывозащищенному электрооборудованию группы II с "0" (нулевым) особовзрывобезопасным уровнем взрывозащиты, температурным классом ТЗ по ГОСТ Р 52350.0-2005, видом взрывозащиты - взрывонепроницаемая оболочка подгруппы IIВ по ГОСТ Р 52350.1-2005 и герметизация компаундом по ГОСТ Р 52350.18-2006. Маркировка взрывозащиты электронасосов 0ЕхdmIIВТЗХ по ГОСТ Р 52350.0-2005. Электронасосы допускается эксплуатировать во взрывоопасных зонах, классов 1 и 2, опасных по парогазовоздушным смесям категорий IIА и IIВ групп Т1, Т2 и ТЗ по ГОСТ Р 51330.13-99 согласно главы 7.3 "Правил устройства электроустановок", изд. 6 1998 г.
Климатическое исполнение и категория размещения электронасосов У* по ГОСТ 15150-69 при этом верхнее значение температуры окружающего воздуха не более плюс 40 С. Степень защиты от внешних воздействий IР68 ГОСТ 14254-96. Условное обозначение электронасосов:
Электронасосы ХГНОМ ХХ-ХХT Ех ТУ 3631-011-72181059-2011, где
Х - порядковый номер модернизации (при наличии);
Г - для грязной воды;
Н - электронасос;
О - одноступенчатый;
М - моноблочный;
ХХ - номинальная подача, м /ч;
ХХ - напор, соответствующий номинальной подаче, м;
Т - температурный (температура перекачиваемой среды 60 );
Ех - обозначение взрывозащищённого исполнения.
Технические характеристики
Потребляемая мощность 1,2 кВт
Частота вращения3000 об/мин
Потребляемый ток 3,5/1,5 А
КПД--
Масса не более 85 кг
Подача 10 м³/ч
Напор10 м
Подпор --
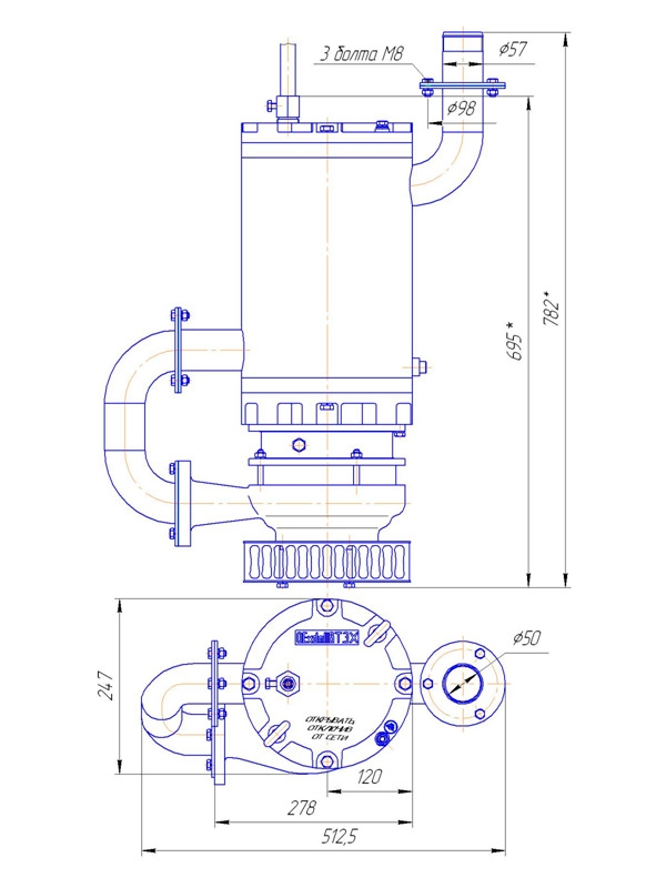
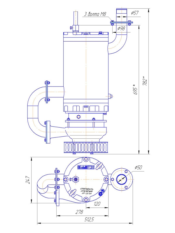
Высота782
Максимальный поперечный размер 512,5
Глубина погружения М(не менее) 0,12
Напряжение, В 380/660 В, трёхфазное
Условный проход шланга--
Присоединительный диаметр для патрубка отверстия --
Размер отверстий для резьб--
Количество отверстий --

У вас остались вопросы?

Заполните форму и наш менеджер Вас проконсультирует

Нажимая на кнопку, вы принимаете Положение и Согласие на обработку персональных данных.