
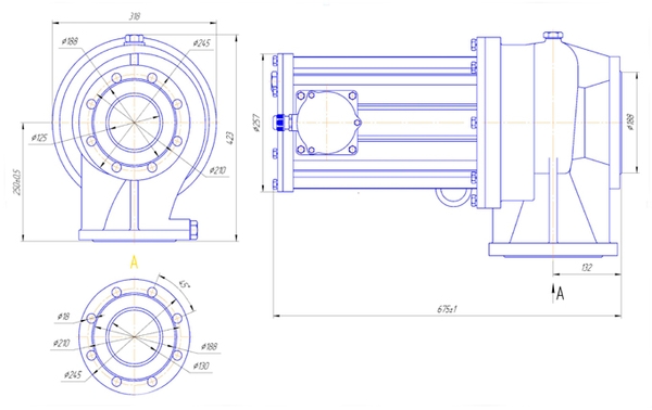
| Номинальная подача | 100 м³/ч |
| Напор при номинальной подаче | 15м |
| Частота вращения | 3000 об/мин |
| Допускаемый кавитационный запас | 5 |
| КПД | 40% |
| Напряжение | 220/380 |
| Соединение фаз | треугольник/звезда |
| Ток при номинальной подаче | 220В-22,6А/380В-13,8A |
| Номинальная мощность двигателя | 11 кВт |
| Класс нагревостойкости | F |
| Кратность пускового тока | 7,3 |
| R изол. статора относительно корпуса(холод/раб) | 3,2/1,0 Moм |
| Масса не более, кг | 130 |
У вас остались вопросы?
Заполните форму и наш менеджер Вас проконсультирует
